In the field of power electronics, thyristor is a crucial semiconductor device that has the functions of rectification and controllable inversion in AC circuits. The control method of the thyristor has a vital influence on its operating performance. This article will explore why and how a thyristor phase control calculation is performed.
(Phase controlled thyristor)
Why perform thyristor phase control calculation?
- Precise control: Through phase control, the turn-on and turn-off time of the thyristor can be precisely controlled, thereby achieving accurate power conversion; this is critical for many electronic devices and industrial processes.
- Energy saving: Through precise phase control, adequate power supply adjustment can be achieved, minimizing the energy consumed by the equipment during operation and achieving energy saving.
- System stability: Phase control can ensure that the thyristor can quickly turn on and off when needed, thereby ensuring the strength of the power system.
How to perform thyristor phase control calculation?
- Determine control objectives
Before performing thyristor phase control calculation (thyristor phase control calculation), it is first necessary to clarify the control target; this may involve many aspects of the power system, such as controlling the output voltage’s amplitude, waveform, etc. Defining control objectives helps provide clear direction for subsequent calculations and adjustments.
- Collect input signals
The thyristor phase control calculation requires the collection of input signals related to the thyristor. These signals can include phase information of the AC power supply, etc. These input signals provide the necessary information for calculating the trigger pulse and, therefore, must be collected in the system.
- Calculate the trigger pulse
According to the control target and the collected input signal, the phase and width of the trigger pulse are calculated through a specific algorithm; this may be achieved through PWM (Pulse Width Modulation) control or phase shift control. These algorithms can be optimized and adjusted to gain better control effects.
- Output trigger pulse
Once the trigger pulse is calculated, it needs to be output to the thyristor driver to control the on and off times of the thyristor. This step is required to ensure the trigger pulse is accurately delivered to the thyristor driver and interpreted and executed correctly.
- Feedback adjustment
In practical applications, based on the feedback information from the system, the control algorithm may need to be adjusted and optimized to achieve better control effects; this may involve calculation and adjustment of trigger pulses and monitoring and maintaining the entire power system. Feedback regulation helps ensure system stability and reliability and improves power conversion efficiency and quality.

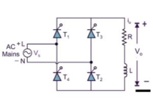
(Phase controlled thyristor circuit diagram)
Practice and application of Thyristor phase control calculation
When performing thyristor phase control calculation, selecting the appropriate control algorithm and equipment is necessary according to the application scenario. For example, in street lighting systems, phase control can adjust brightness; in electric locomotives, phase control can achieve precise traction control. At the same time, to ensure the system’s stability and reliability, some anti-interference measures need to be taken, such as filtering, isolation, etc.
Supplier
PDDN Photoelectron Technology Co., Ltd. is a high-tech enterprise focusing on the manufacturing, R&D and sales of power semiconductor devices. Since its establishment, the company has been committed to providing high-quality, high-performance semiconductor products to customers worldwide to meet the needs of the evolving power electronics industry.
It accepts payment via Credit Card, T/T, West Union, and Paypal. PDDN will ship the goods to customers overseas through FedEx, DHL, by sea, or by air.  If you want high-quality PHASE CONTROL THYRISTORS, please send us inquiries; we will help you.
